+54 (11) 4641-4094
+54 (11) 4642-3435
comercial@metalurgicamasrl.com.ar
ZONA CLIENTES
Home
Empresa
Productos
Sistema de codificación
Calidad
Descargas
distribuidores
Contacto
Empresa
Productos
Sistema de codificación
Calidad
Descargas
distribuidores
Contacto
Inicio |
productos |
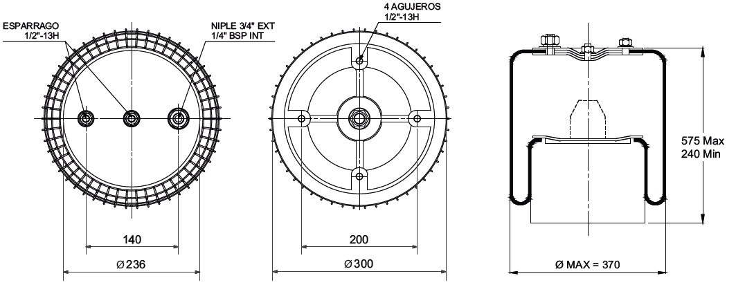
2538 |
Conjuntos Armados Tubulares / Conjuntos Tubulures
COD. 2538
CAMARA DE CARGA NIPLE Y ESPARRAGO A 140MM (1T19L - 16 / GOLDHOFER 4 LINEAS
Ficha técnica
Consultar